Controlando-se a passagem de corrente e a tensão presente em cada terminal, podemos alterar a cor da luz emitida, visto que dentro do encapsulamento há 3 LEDs distintos, cada um de uma cor, dessa forma, combinando os três, podemos obter praticamente qualquer cor.
Apesar de haver algumas limitações devido ao próprio microcontrolador, o efeito requerido para o projeto seria algo não muito complexo, uma simples variação de cores, podendo ou não seguir o sincronismo das figuras passadas pelas bolhas.
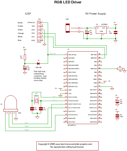
Abaixo, segue o esquemático de um circuito testado encontrado na internet. Infelizmente, esse circuito utiliza o PIC 16F877A, e o grupo não o possui até o momento, o que inviabiliza o teste físico, no entanto, como provavelmente esse microcontrolador será comprado para ser usado no projeto principal, há a possibilidade de usarmos o mesmo para controlar também o LED.
Como é necessário variar a tensão presente em cada terminal do LED, é utilizado um potenciômetro para efetuar esse controle, no entanto, usando o PIC, a técnica seria a modulação da largura da onda, definindo um período padrão e variando quanto tempo haveria tensão dentro desse período, repetindo o mesmo rapidamente (de preferência acima de 50Hz, para que o olho humano não note a variação) e alterando-o de acordo com a cor desejada.
Esse processo é efetuado automaticamente na programação encontrada na internet, mas pode ser vinculado com a passagem das bolhas, para que cada imagem tenha uma cor diferente, por exemplo, e teria um efeito considerável no produto final, atraindo ainda mais o público e deixando-o mais atrativo.
Fontes:
BEST MICROCONTROLER-PROJECTS. Disponível em: <http://www.best-microcontroller-projects.com/rgb-led.html>. Acessado em: 02 de Jun. 2013.
INSTRUCTABLES. Disponível em: <http://www.instructables.com/answers/How-do-multi-colored-led-lights-work/>. Acessado em: 02 de Jun. 2013.
LetsLED. Disponível em: <http://store.letsled.com/Articles.asp?ID=289>. Acessado em: 02 de Jun. 2013.

Nenhum comentário:
Postar um comentário